欢迎光临轻触开关_血糖仪试纸座_血糖仪连接器-厦门宏端电子科技官方网站!
超薄轻触开关

超薄轻触开关

PRODUCT CENTER

产品中心

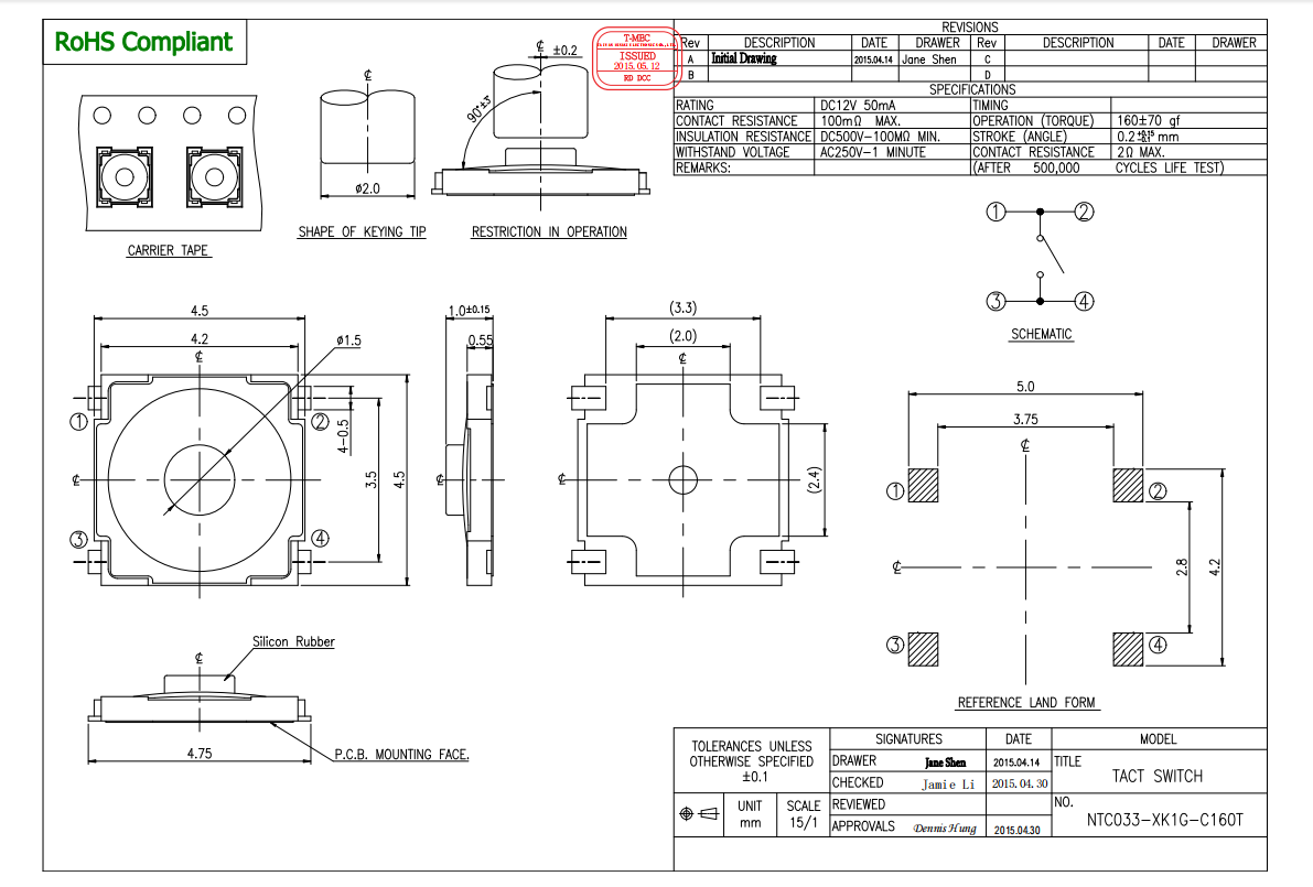
超薄轻触开关 4.5×4.5×1.0mm 黄膜带点

  • 品牌:宏端电子
  • 规格:4.5×4.5×1.0mm
  • 型号:NTC033-XK1G-C160T
  • 包装:量产中
  • 操作寿命:500,000 cycles
  • 操作力度:0.25+0.10mm
贴片超薄轻触开关 4.5×4.5×1.0mm 高度1.0mm 行程0.2mm 寿命50万次 动作力160gf/250gf
  • 产品详情

  • 尺寸图

技术参数:
额定负荷:DC 12V 50mA
接触电阻:100mΩ Max
绝缘电阻:100MΩ Min AC250V
操  作 力:160gf/250gf
行      程:0.2mm
使用寿命:500,000cycles
使用温度:-30℃~85℃
环境湿度:≤85%RH
产品特征:可满足客户要求设计不同按键高度
 

轻触开关尺寸图