欢迎光临轻触开关_血糖仪试纸座_血糖仪连接器-厦门宏端电子科技官方网站!
硅胶轻触开关

硅胶轻触开关

PRODUCT CENTER

产品中心

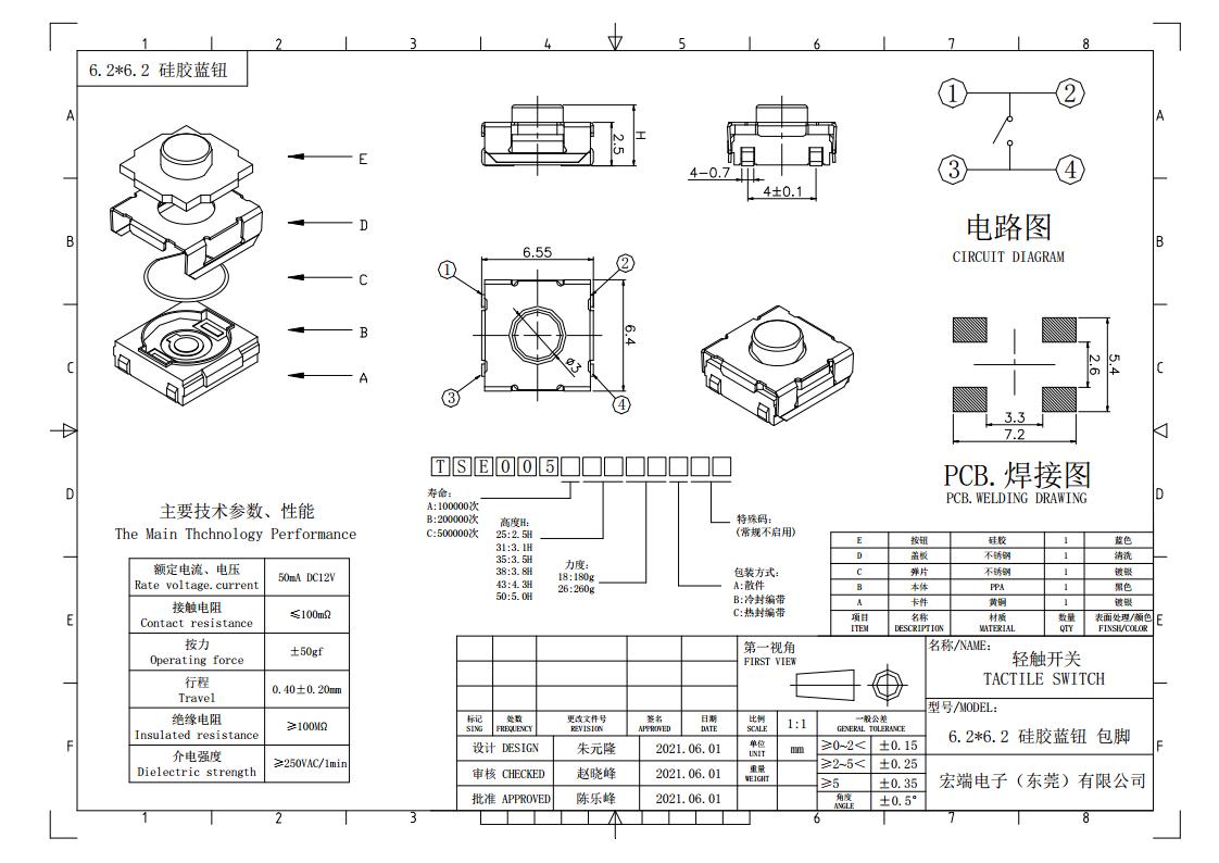
透明硅胶按钮轻触开关6.2×6.2 ×H

  • 品牌:宏端电子
  • 规格:6.2×6.2×H
  • 型号:TSE005透明硅胶钮
  • 包装:量产中
  • 操作寿命:100,000 cycles
  • 操作力度:0.25+0.10mm
贴片硅胶轻触开关6.2*6.2 U型脚 高度有2.5mm 3.1mm 3.5mm 3.8mm 4.3mm 5.0mm 力度有 180g 250g 按压清脆 手感好 适用:智能家居 家用电器 数码影音 楼宇安防
  • 产品详情

  • 尺寸图

技术参数:
额定负荷:DC 12V 50mA
接触电阻:100mΩ Max
绝缘电阻:100MΩ Min AC250V
操  作 力:260±50gf
行      程:0.25±0.1mm
使用寿命:100,000cycles
使用温度:-30℃~85℃
环境湿度:≤85%RH
产品特征:可满足客户要求设计不同按键高度
 

轻触开关尺寸图