产品描述:
基本参数:
额定负荷 Rating :DC16V 0.3A
接触电阻 Contact Resistance :50mΩMAX
绝缘阻抗 Insulation Resistance: 100MΩMIN
适用温度 Ambient Temper.Used: -25 ℃ to 85 ℃
耐高压 Withstand Voltage :AC 500V(50-60HZ) 1min
适用湿度 Ambient Humidety Used :85% RH
焊接温度 Soldering Temper :265±5°10s
插拔力 Operating Force: 3-30N
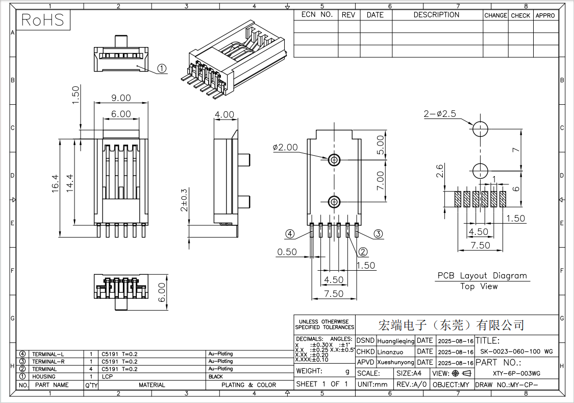
品名:1.5mm间距 6P 血糖仪试纸座 SK-0023-060-100 无盖
特点:通用款 大众款 成本低 无退条功能
适用:血糖仪医疗器械
描述:1.5mm间距 6P 血糖仪试纸座 SK-0023-060-100 无盖 无退条功能
基本参数:
额定负荷 Rating :DC16V 0.3A
接触电阻 Contact Resistance :50mΩMAX
绝缘阻抗 Insulation Resistance: 100MΩMIN
适用温度 Ambient Temper.Used: -25 ℃ to 85 ℃
耐高压 Withstand Voltage :AC 500V(50-60HZ) 1min
适用湿度 Ambient Humidety Used :85% RH
焊接温度 Soldering Temper :265±5°10s
插拔力 Operating Force: 3-30N
